강재는 대기 중에서 쉽게 부식하기 때문에 방청페인트(도장)를 칠해야 합니다. 물론 콘크리트 속에 묻힌 부분은 녹이 슬지 않기 때문에 도장을 할 필요가 없습니다.

따라서 강구조 건축물은 콘크리트에 묻히는 부분을 제외하고 도장 수량을 산출해야 합니다. 도장은 표면을 칠하는 것이기 때문에 표면의 면적으로 산출하면 됩니다.
그런데 H형강과 같은 형강은 형태가 복잡하기 때문에 표면의 면적을 산출하기가 쉽지 않습니다. 그래서 각각의 형상별로 단위길이당 표면의 면적을 미리 계산해두고 활용하는 방법을 주로 씁니다. 이것을 도장배수라고 합니다.
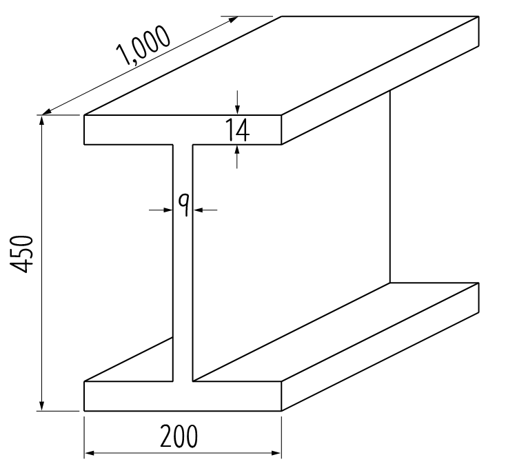
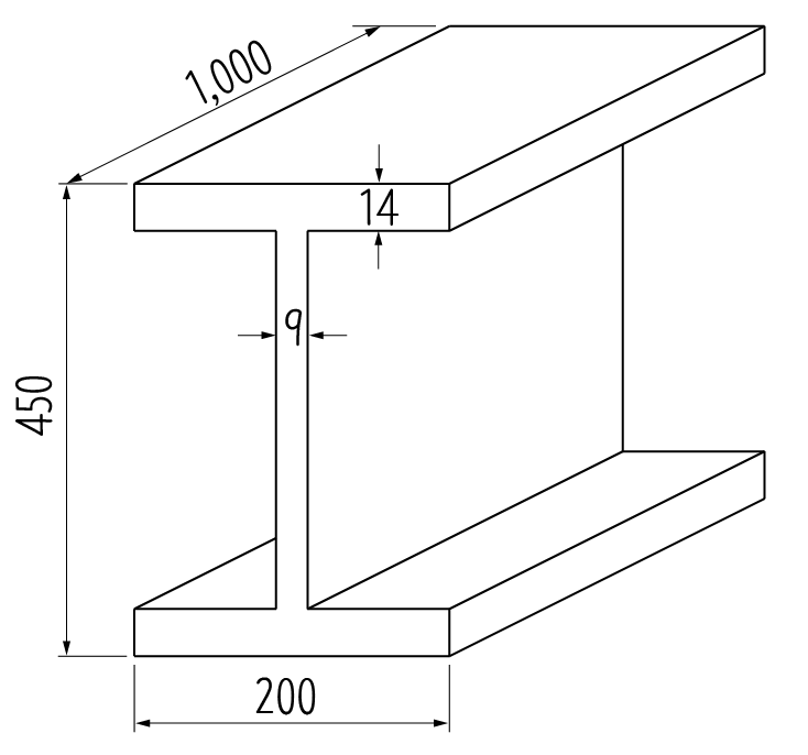
예를 들어 H-450×200×9×14를 1m 잘라서 표면을 칠하다면 전체 표면의 면적은 얼마일까요?

플랜지 부분과 웨브 부분으로 나누어 계산하는 것이 수월하겠죠?
(1) 플랜지 표면의 면적 = ((0.2+0.014)×2-0.009)×1(m)×2(위아래) = 0.838m²
(2) 웨브 표면의 면적 = (0.45-0.014×2)×1(m)×2(양쪽) = 0.844m²
합계 = 0.838+0.844 = 1.682m²
즉 H-450×200×9×14의 단위길이당 도장배수는 1.682m²입니다. 만일 이 H형강이 100m 필요하다면 전체 도장 면적은 도장배수에 100m를 곱해서 계산할 수 있습니다.
이처럼 각 형강별로 도장배수를 미리 계산해서 활용한다면 도장면적을 쉽게 계산할 수 있습니다. '형강의 제원표'에서 H-450×200×9×14의 도장배수를 확인해보면 1.682m²라고 되어 있습니다.

강재는 열에 약하기 때문에 일정한 시간동안 화재에 견딜 수 있도록 내화피복을 해야만 합니다. 내화피복도 표면에 칠하는 것이기 때문에 도장면적을 산출하는 것과 동일한 방식으로 면적을 산출합니다.

그런데 내화피복의 두께는 내화성능기준에 따라 달라집니다. 내화성능기준은 건축물의 용도 및, 규모, 구조체 등에 따라 달라집니다. 예를 들어 12층을 초과하는 주거시설의 보나 기둥이라면 3시간 이상의 내화성능을 확보할 수 있도록 피복두께를 해야 합니다.


따라서 내화피복의 수량은 층별 내화 시간에 따라 구분해서 표면의 면적을 산출합니다.
| 건축기사 기출문제 - 강구조(철골) (0) | 2021.04.29 |
|---|---|
| 강구조(철골) 수량 산출 - 용접 (0) | 2021.04.03 |
| 강구조(철골) 수량 산출 - 볼트류 (0) | 2021.04.03 |
| 강구조(철골) - 형강의 제원표 (0) | 2021.04.03 |
| 강구조(철골) 수량 산출 - 형강류 (0) | 2021.04.03 |