형강재는 재질과 형상에 따라 종류가 다양합니다.
따라서 형강의 재질별, 규격별로 구분하여 길이[m]를 산출한 후 중량[ton]으로 환산해서 집계합니다. 중량으로 환산하기 위해서는 단위길이당 중량값을 이용해서 계산합니다.
▶ 형강의 제원표
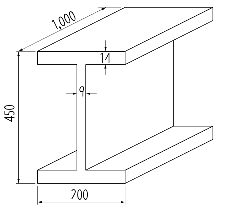
예를 들어 사용된 형강이 H-450×200×9×14라면 형강의 제원표에서 단위길이당 중량이 76.0kg이라는 것을 알 수 있습니다.


이 값은 H-450×200×9×14 부재를 1m가 길이로 잘랐을 때의 무게가 76.0kg이라는 것을 의미합니다.

만일 형강의 제원표가 없다면 단위길이당 무게를 직접 계산해야 합니다. H형강을 구성하는 플랜지와 웨브 부분를 각각 나누어서 산출할 수 있습니다. 플랜지와 웨브의 체적을 구한 후 강재의 비중(7,850kg/m³)을 곱해서 산출합니다.
H-450×200×9×14 부재의 단위길이당 무게를 산출해 보겠습니다.
(1) 플랜지의 무게 = 0.2×0.014×1×7,850(kg/m³)×2(개)=43.96(kg)
(2) 웨브의 무게 = 0.009×(0.45-0.014×2)×7,850(kg/m³)=29.8143(kg)
합계 = 73.77(kg)이 됩니다.
형강의 제원표에서 제시된 76.0(kg)과 차이가 나는 것은 KS 규격품은 열간압연방식으로 제조되기 때문에 플랜지와 웨브의 접합부분이 일정한 곡률반경을 형성하면서 접합되어 있기 때문입니다.
KS규격에 없는 조립형강(Built-up) 부재는 위에서 계산한 방법대로 단위길이당 중량을 산출해서 적용합니다.
형강재를 조립하기 위해서는 다양한 강판이 필요합니다. 강판의 수량은 재질별, 두께별로 구분하여 면적[m²]을 산출한 후 무게[ton]로 환산해서 집계합니다.

위 사진에서 볼 수 있는 것처럼 강판재의 모양은 매우 다양합니다. 이렇게 다양한 모양에 따라 정확하게 면적을 산출하기는 쉽지 않습니다. 따라서 좀 더 수월하게 계산하기 위해 실제 면적에 가까운 삼각형이나, 사각형, 평행사변형, 사다리꼴 등으로 면적을 산출합니다.

위 그림처럼 대부분은 실제 면적과 가장 가까운 사각형(a×b)으로 산출하게 됩니다.
예를 들어 다음과 같은 강판(두께 5mm)이 10장 필요하다면 중량은 어떻게 계산할까요?

강판의 면적은 사각형으로 보고 산출합니다.
따라서 0.6×0.5 = 0.3(m²)입니다.
강판의 두께는 5mm 이므로 체적을 계산해서 무게로 환산한다면
0.3×0.005×7,850(kg/m³)×10(장) = 117.75(kg)이 됩니다.
강재나 철근은 사용하고 남은 짜투리를 버리는 것이 아니라 고철로 처리할 수 있습니다. 고재량은 이처럼 고철로 처리할 수 있는 수량을 말합니다.
그런데 강재를 절단하면 절단하는 과정에서 일정 부분이 소실될 수 밖에 없습니다. 적산에서는 30% 정도가 소실되는 것으로 봅니다. 따라서 고재량은 총소요량에서 정미수량을 뺀 값의 70%로 산출합니다.
고재량(ton) = (소요량-정미량)×0.7
앞에서 산출한 강판을 예를 든다면 고재량은 얼마나 될까요?
강판의 소요량은 사각형으로 산출한 수량에 해당합니다. 정미량은 실제로 사용된 부분인 빗금친 부분이 해당됩니다. 따라서 짜투리 부분(스크랩)은 삼각형 부분이 해당됩니다.
고재량 = (0.25×0.5)/2×0.005×7,850(kg/m³)×10(장)×0.7=17.17(kg)
▶ [강구조공사] - 강구조 수량 산출 - 도장 및 내화피복
| 강구조(철골) 수량 산출 - 도장 및 내화피복 (0) | 2021.04.04 |
|---|---|
| 강구조(철골) 수량 산출 - 용접 (0) | 2021.04.03 |
| 강구조(철골) 수량 산출 - 볼트류 (0) | 2021.04.03 |
| 강구조(철골) - 형강의 제원표 (0) | 2021.04.03 |
| 강구조(철골)공사 적산 개요 (0) | 2021.04.03 |